18EAE23S131 - 18 Series Corded Electric Transducer Control Right Angle Floating Spindle (5.1-30 NM)

ClecoSKU: SM-0020

Precio:
Request pricing

Lead Time:
Special Order

Documentation

Descripción

Features

  • Brushless Operation
  • Resolver Control
  • Transducer Control
  • Memory Intelligence
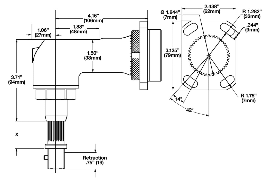
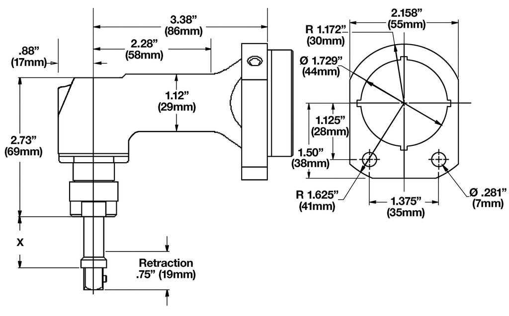
Model: 18EAE23S131
Torque Range Min: 5.3 ft/lbs
Torque Range Max: 17.0 ft/lbs
Free Speed: 860 1/min
Weight: 4.41 lbs
Output Drive: 3/8 Square Drive in|mm
Length: 16.0 in
Side To Center: 0.55 in
Angle Head Height: 2.76 in

Reviews

Product recommendations

Recently viewed